
参考标准:
注: 关于产品购买、技术维护等服务,欢迎致电! 联系我们
衷心的感谢您选择了我们的产品!
为了您更好的使用本仪器,在使用之前请您务必仔细阅读使用说明,详细了解其主要性能以及使用方法。因产品不断改进,设计及规格如有变更恕不另行通知。
—安全术语
警告:警告字句指出可能造成人身伤亡的状况或做法
小心:小心字句指出可能造成本产品或其它财产损坏的状况或做法
目录
在电力变压器的半成品、成品生产过程中,新安装的变压器投入运行之前以及根据国家电力部的预防性试验规程中,要求变压器进行匝数比或电压比测试。传统的变比电桥操作繁琐,读数不直观,且要进行必要的换算,测试时只能单相进行,工作效率低。本款系列仪器克服了传统变比电桥测试的缺点。屏幕采用了大屏幕彩色液晶显示屏,中文菜单提示,操作简便直观,一次完成三相变比测试,测试速度快、准确度高、保护功能完善。本款系列仪器提供了两种电源方式:外部AC220V和内部电池,方便用户进行测试。
1.2 性能特点
1) 界面采用智能化彩屏显示方式,操作简单方便。电路采用新一代全数字方案,保证仪器长期稳定性。
2) 试速度快,一次接线即可完成三相变比测试,仅需10秒。
3) 具有盲测功能,即在不知道高、低压联结方式时进行变比、组别测试。
4) 适合从配电变压器到1000KV变压器、单相变压器、电流互感器(CT)、电压互感器(PT)及Z型联接变压器变比、组别、极性测试功能。。
5) 测试量程宽,最高可达10000,分接档位最高可测试到197档。
6) 交直流两用:锂电池供电或者220V交流充电器供电自适应。
7) 不掉电时钟和日期显示;数据存储方式分为本机存储和优盘存储,其中本机存储可存储测试数据500条,并且本机存储可转存至优盘,优盘存储数据格式为Word格式,可直接在电脑上编辑打印。
8) 仪器具有高低压反接保护功能,具有变压器短路,匝间短路保护功能。
9) 体积小、重量轻,方便携带使用。
2、特别提示
2.1 电源方面
本仪器提供两种电源方式,外部220V交流充电器供电,内部电源为锂电池。当接通外部电源时,仪器选择交流供电方式进行测试。当不接外部电源时,仪器使用内部电池工作。
2.2 安全方面
1)使用本仪器前一定要认真阅读本手册。
2)仪器的操作者应具备电气设备或仪器的使用常识。
3)为了仪器及操作人员的安全,仪器使用时应可靠接地。试验装备时最先接好地线,工作完毕时最后拆除接地线。
4)仪器输出电压高,应注意安全,防止触电。
5)本仪器户内外均可使用,但应避免在雨淋、腐蚀气体等恶劣环境下使用。
6)对仪器的维修、护理和调整应由专业人员进行。
7)仪表应避免剧烈振动。
8)对仪器的维修、护理和调整应由专业人员进行。
1) 量 程:0.9~10000
2) 准确度:±(读数×0.2%+2字)(小于等于500)
±(读数×0.5%+2字)(大于500 )
3) 分辨率:0.9~9.9999(0.0001)
4) 工作电源:内置电池或外置充电器,充电器使用条件,输入100-240VAC, 50/60Hz
5) 充电时间:约5小时
6) 仪器重量:3.5Kg
7) 仪器体积:260mm(长)×200mm(宽)×160mm(高)
8) 使用温度:-10℃~50℃
9) 相对湿度:<90%,不结露
4 面板介绍
图一
1) 高压测试端:黄、绿、红3色接线座,分别对应A、B、C三相,和红色测试线带弹棒侧对应连接,测试线另一端有黄、绿、红3色测试钳,对应接被测变压
器高压侧的A、B、C三相。
2) 低压测试端:黄、绿、红3色接线座,分别对应a、b、c三相,和黑色测试线带弹棒侧对应连接,测试线另一端有黄、绿、红3色测试钳,对应接被测变压
器低压侧的a、b、c三相。
3) 显示屏: 彩色液晶显示器,带LED背光,显示操作菜单和测试结果。
4) 按键: 操作仪器用。 “↑↓”为“上下”键,选择移动或修改数据;“←→”为“左右”键,选择移动或修改数据;“确认”键,确认当前操作;“取
消”键,放弃当前操作。
5) 优盘接口: 外接优盘用,用来存储测试数据,请使用FAT或FAT32格式的U盘。在存储过程中,严禁拨出优盘。
6) 打印机: 打印测试结果。
7) 接地端子: 仪器必须可靠接地。现场接地点可能有油漆或锈蚀,必须清除干净。
8) 电源开关: 整机电源开关。
9) 充电: 仪器充电口,请使用仪器配套充电器。
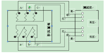
根据被试试品的情况正确连接测试线。
高压测试端红色测试线的黄、绿测试钳接被测试品的高压端;低压测试端黑色测试线的黄、绿测试钳接被测试品的低压端。
高压测试端红色测试线的黄、绿测试钳接被测试品的二次侧;低压测试端黑色测试线的黄、绿测试钳接被测试品的一次侧。
高压测试端红色测试线的黄、绿、红测试钳接被测试品高压端的A、B、C相;低压测试端黑色测试线的黄、绿、红测试钳接被测试品低压端的a、b、c相。
仪器在长时间未操作时,自动调暗液晶背光,以节省电量;仪器带低电量充电提示功能、过放保护功能;仪器电量低时可插充电器充电,并可在充电过程中对仪器进行正常操作使用。
打印机按键和打印机指示灯是一体式。打印机上电后,正常时指示灯为常亮,缺纸时指示灯闪烁。按一次按键,打印机走纸。
打印机自检:按住按键不放,同时给打印机上电,即打印出自检条。
打印机换纸:扣出旋转扳手,打开纸仓盖;把打印纸装入,并拉出一截(超出一点撕纸牙齿),注意把纸放整齐,纸的方向为有药液一面(光滑面)向上;合上纸仓盖,打印头走纸轴压齐打印纸后稍用力把打印头走纸轴压回打印头,并把旋转扳手推入复位。
所有测试线接好以后,打开电源开关,仪器初始化后进入“主菜单”屏(见图二)。
图二
按“上下”、“左右”键选择相应功能选项,按“确认”键进入所选功能菜单。
(一)三相测试:普通三相变压器测试。
Y
-Y-d-11变压器接线图
在“主菜单”屏下选中“三相测试”项后,按“确认”键进入“三相测试选择”屏。
Ø 正常测试:已知高、低压联结方式的情况下,正确输入高、低压联结方式后进行测试。
Ø 盲测功能:在不知道高、低压联结方式及组别时可以准确测出变比和组别。
“正常测试”和“盲测功能”的设置、操作类似,在此以“正常测试”为例进行说明介绍。选择“正常测试”项后,按“确认”键进入“功能参数设置”屏。
【额定高压】、【额定低压】、【分接】、【联结组别】、【试品编号】、【测试】为菜单选项,其右边所属各项为功能参数。“说明”部分是对所选功能的解释说明。当菜单选项被选中时,按【上】【下】键选择不同菜单功能,按【左】【右】键选择菜单选项所属功能参数,当菜单选项所属功能参数被选中时,按【上】【下】键修改参数,按【确认】键或【取消】键返回菜单选项。
额定高压、额定低压:设置所测试品的额定高、低电压值。高、低电压值可以按实际电压值输入,也可以根据实际情况按实际比例关系输入。
注意:只有额定高、低电压值、分接间距、额定分接位输入正确后,测试结果才可以正确计算出当前分接档位值和误差值。
分接:设置所测试品的分接间距和额定分接位,对于没有分接位的试品,额定分接位输入00或01即可。
联结组别:设置所测试品的联结方式和联结组别。对于联结方式,高压侧可以实现“Y→D→未知”之间的循环转换,Y表示星形联结,D表示三角形联结, “未知”表示不清楚高压侧联结方式,由仪器自动判断;低压侧可以实现“y→d→未知”之间的循环转换,y表示星形联结,d表示三角形联结,“未知”表示不清楚低压侧联结方式,由仪器自动判断。
注意:当用户选择已知的联结方式后,仪器测量与显示按用户输入为准,当用户选择“未知”后,由仪器自动判断联结方式,如果高、低压侧的联结方式都选择“未知”时,测量结果不显示联结方式。对于联结组别,用户可按实际情况进行选择,如果联结组别未知,可选【自动】,由仪器自动判断联结组别,在【盲测功能】菜单里,联结组别固定为【自动】,不可改动。
试品编号:设置本次试验的试品编号。
测量方式:选择不同的测量方式。
测量方式中三相变比:根据设定的高、低压联结方式和联结组别,三相同时测量变比。
参数设置完成后,选中【开始测量】键开始测量。在测试过程中,仪器如果检测到短路、高低压反接故障时,弹出故障提示框报警,并停止测量。
小提示:光标在一级操作目录下,可按“确认”键将光标快速跳转到
按钮,可快速启动测量。
【三相变比】测试结果屏见图五。
图五
编号 | 说明 |
1 | 对应的测试相别。 |
2 | 对应的实测变比值。 |
3 | 仪器自动计算的误差值。 |
4 | 实测的高、低压联结方式和组别。 |
5 | 实测的当前分接位。 |
屏幕中间显示测量结果,底部显示可操作菜单:
Ø 继续测量:按设置好的参数继续测量。
(二)单相测试:单相变压器、PT、CT测试。
单相接线图
在【主菜单】屏下选中【单相测试】项后,按【确认】键进入【单相测试参数设置】
该屏设置操作和【盲测功能参数设置】屏类似。
分接:设置所测试品的分接间距。
额定分接:设置所测试品的额定分接位,对于没有分接位的试品,额定分接位输入00或01即可。
试品编号:设置本次试验的试品编号。
测量方式:选择不同的测量方式。
Ø 单相PT:根据设置的参数对PT进行变比极性测量。
Ø 单相CT:根据设置的参数对CT进行变比极性测量。
Ø 单相变压器:根据设置的参数对单相变压器进行变比极性测量。
操作和【三相变比测试结果】屏类似。
(三)Z 型测试:Z型变压器测试。
【Z型测试】和【三相测试】设置、操作类似,具体操作可参考【三相测试】的相关操作。
在【主菜单】屏下选中【存储查询】选项,按【确认】键进入【存储查询】屏如果没有存储数据,会提示【无存储记录!!】。
屏幕上部和中部显示存储的数据信息,屏幕底部显示存储的查询索引:
存储001/020:001表示当前查询的存储数据的位置,即第几条存储记录,其中001表示最新的存储记录。020表示共存储了多少条测试记录。
在有存储数据的情况下,在【存储查询】屏下按【左】【右】键进行不同存储信息的查询,按【确认】键弹出功能菜单,可进行【存储打印】、【转存优盘】操作。
Ø 存储打印:将当前查询的存储数据进行打印。
Ø 转存优盘:将当前查询的存储数据转存到外接优盘。
在【主菜单】屏下选中【时钟设置】选项,按【确认】键进入【时钟设置】屏
在【时钟设置】屏下按【左】【右】键对要修改项进行选择,按【上】【下】键修改所选项,按【确认】键保存当前设置并返回【主菜单】屏,按【取消】键放弃当前设置并返回【主菜单】屏。
此项为厂家设置项,需要密码,用户不能设置。
u 对于具有多个分接位的变压器,输入额定高、低压电压值、分接间距、额定档位,是为了使测试结果可以自动计算出误差值,以及分接开关所处的分接位。
u 有载分接开关19档的变压器,若9、10、11分接是同一个值,仪器输入额定分接位时应输入9,此时12分接位以后,仪器显示分接位置比实际位置小2。
u 本仪器分接位置的设置按高压侧调压设计,是假设1分接为最高电压挡位,如果电压反向设计或分接开关在低压侧的变压器,显示分接位置和实际分接位置倒置。
u 三相变压器铭牌上的变比是指不同电压绕组的线电压之比,因此,不同接线方式的变压器,其变比与匝数比有如下关系:一次、二次侧接线相同的三相变压器的电压比等于匝数比;一次侧、二次侧接线不同时,Y--d接线的匝比值等于变比值除以
,D--y接线的匝比值等于变比值乘以
。
仪器常见问题及检查方法
当测试出现不正常时,可以采用以下方法进行自检,接线如下图所示:
接好线后联结方式选择Y-y-0或D-d-0,然后按确认键启动测量,测量值为1.0000 ,以上显示说明基本仪器正常,否则为仪器有问题。
若无短接线也可以将测试线的高压侧黄、绿、红接线钳对应低压侧黄、绿、红接线钳短接在一起(短接时注意钳子引线的位置,有线的那一端要可靠的接在一起)。
u 1台测试仪
u 1套测试线(红、黑各一组)
u 1个充电器(8.4V)
u 1份印刷版用户手册
u 1份合格证及出厂测试报告
收到货运包装箱后,打开包装箱并检查是否有损坏。如果货运包装箱已损坏,或衬垫材料有压痕,请通知货运公司和离您最近的销售处。