
参考标准:
注: 关于产品购买、技术维护等服务,欢迎致电! 联系我们
尊敬的顾客
感谢您使用本公司生产的产品。在初次使用该仪器前,请您详细地阅读使用说明书,将可帮助您正确使用该仪器。
我们的宗旨是不断地改进和完善公司的产品,因此您所使用的仪器可能与使用说明书有少许差别。若有改动,我们不一定能通知到您,敬请谅解!如有疑问,请与公司售后服务部联络,我们定会满足您的要求。
由于输入输出端子、测试柱等均有可能带电压,您在插拔测试线、电源插座时,会产生电火花,小心电击,避免触电危险,注意人身安全!
u 慎重保证
本公司生产的产品,在发货之日起三个月内,如产品出现缺陷,实行包换。一年(包括一年)内如产品出现缺陷,实行免费维修。一年以上如产品出现缺陷,实行有偿终身维修。
u 安全要求
请阅读下列安全注意事项,以免人身伤害,并防止本产品或与其相连接的任何其它产品受到损坏。为了避免可能发生的危险,本产品只可在规定的范围内使用。
只有合格的技术人员才可执行维修。
—防止火灾或人身伤害
使用适当的电源线。只可使用本产品专用、并且符合本产品规格的电源线。
正确地连接和断开。当测试导线与带电端子连接时,请勿随意连接或断开测试导线。
产品接地。本产品除通过电源线接地导线接地外,产品外壳的接地柱必须接地。为了防止电击,接地导体必须与地面相连。在与本产品输入或输出终端连接前,应确保本产品已正确接地。
注意所有终端的额定值。为了防止火灾或电击危险,请注意本产品的所有额定值和标记。在对本产品进行连接之前,请阅读本产品使用说明书,以便进一步了解有关额定值的信息。
请勿在无仪器盖板时操作。如盖板或面板已卸下,请勿操作本产品。
使用适当的保险丝。只可使用符合本产品规定类型和额定值的保险丝。
避免接触裸露电路和带电金属。产品有电时,请勿触摸裸露的接点和部位。
在有可疑的故障时,请勿操作。如怀疑本产品有损坏,请本公司维修人员进行检查,切勿继续操作。
请勿在潮湿环境下操作。
请勿在易爆环境中操作。
保持产品表面清洁和干燥。
-安全术语
警告:警告字句指出可能造成人身伤亡的状况或做法。
小心:小心字句指出可能造成本产品或其它财产损坏的状况或做法。
![]()
目 录
1、使用直流高压发生器的工作人员必须是具有“高压试验上岗证”的专业人员。
2、使用本仪器请用户必须按《电力安规》168条规定,并在工作电源进入直流高压发生器前加装两个明显断开点,当更换试品和接线时应先将两个电源断开点明显断开。
3、试验前检查直流高压发生器控制箱、倍压筒和试品的接地线是否接好。试验回路接地线应按本说明书所示一点接地。
4、对大电容试品的放电应经100Ω/V放电电阻棒对试品放电。放电时不能将放电棒立即接触试品,应先将放电棒逐渐接近试品,至一定距离空气间隙开始游离放电有嘶嘶声。当无声音时可用放电棒放电,最后直接接上地线放电。
5、如做容性负载试验时,一定要接上限流电阻。
6、直流高压在200kV及以上时,尽管试验人员穿绝缘鞋且处在安全距离以外区域,但由于高压直流离子空间电场分布的影响,会使几个邻近站立的人体上带有不同的直流电位。试验人员不要互相握手或用手接触接地体等,否则会有轻微电击现象,此现象在干燥地区和冬季较为明显,但由于能量较小一般不会对人造成伤害。
7、试验完毕必须将接地线挂至高压输出端方可拆除高压引线。
直流高压发生器采用了高频倍压电路,应用了最新的PWM高频脉宽调制技术,闭环调整,采用了电压大反馈,使电压稳定度大幅度提高。使用性能卓越的大功率IGBT器件及驱动技术,并根据电磁兼容性理论,采用特殊屏蔽、隔离和接地等措施。使直流高压发生器实现了高品质、便携式,并能承受额定电压放电而不损坏。具有输出功率大、体积小的特点,有可靠的过压、过流及零位合闸保护功能,带0.75倍电压切换功能。主要适用于电力部门、工矿、冶金、钢铁等企业动力部门对氧化锌避雷器、电力电缆、变压器、断路器、发电机等高压电气设备进行直流耐压试验或直流泄漏电流试验。
序号 | 标准名称 |
1 | DL/T 848.1-2004高压试验装置通用技术条件第一部分:直流高压发生器 |
2 | DL/T 596-2005 《电力设备预防性试验规程》 |
3 | DL/T 474.2-2006 《现场绝缘试验实施导则 第2部分:直流高电压试验》 |
三、工作原理框图
图1 工作原理图
1.技术特点:
(1)精度高、测量准确。控制箱上电压表直接显示加在负载试品上的电压值,使用时无需外加分压器,接线简单。仪器具有高、低压端测量泄漏电流,高压端采用圆形屏蔽数字表显示,不怕放电冲击,抗干扰性能好,适合现场使用。
(2)电压调节稳定度高,全量程平滑调压,输出电压调节采用进口单个多圈电位器,升压过程平稳,调节精度高。
(3)负极性输出、零启动、连续可调、有过电压、过电流、回零、接地保护、特有断线保护等各种保护功能。自动保护电路功能强,保护完善可靠,使操作安全。
(4)采用最先进技术、工艺制造,率先应用中频倍压电路,采用最新的PWM高频脉宽调制技术和大功率IGBT器件,从而使输出高压稳定度更高,纹波系数更小。
(5)增设高精度0.75UDC1mA功能,为做氧化锌避雷器测量带来极大的方便。
(6)过电压整定采用了数字拨码开关,能将整定电压值直观显示,显示数值单位为kV,一目了然。
(7)故障取样采用专用的传感器,动作时间为纳秒级,光隔离元件也为纳秒级,可快速完全关断直流主回路,从而最大的保护仪器不受损伤。
(8)倍压筒采用新型材料,轻巧、坚固。底部设有三只内藏式支撑脚,增加了倍压筒的稳定性。外表涂特种绝缘材料,电气性能好,防潮能力强。
(9)机箱采用铝合金机箱,体积小,重量更轻、更美观、更可靠、操作简单、功能齐全,便于野外使用。
2.技术参数:
规格 技术参数 | 300/2 | 300/3 | 300/5 |
额定电压(kV) | 300 | 300 | 300 |
额定电流(mA) | 2 | 3 | 5 |
额定功率(W) | 600 | 900 | 1500 |
控制箱质量(kg) | 6.5 | 6.5 | 7.5 |
倍压筒质量(kg) | 11 | 11 | 11.5 |
倍压筒高度(mm) | 1250 | 1250 | 1250 |
电压精度 | ±(1.0%读数+2个字) | ||
电流精度 | ±(1.0%读数+2个字) | ||
纹波系数 | ≤0.5% | ||
电压稳定度 | 电源电压变化±10%时≤1% | ||
过载能力 | 空载电压可超出额定电压10%使用10分钟 最大充电电流为1.25倍额定电流 | ||
电源 | 单相交流50Hz 220V±10% | ||
工作方式 | 间断使用:额定负载30分钟 | ||
1.1倍额定电压使用:10分钟 | |||
工作环境 | 温度:-10℃~+40℃ | ||
相对湿度:室温为25℃时不大于85%(无凝露) | |||
海拔高度:1500米以下 | |||
带电容 负荷能力 | 被试品电容量无限制 | ||
可用1.5倍的额定电流充电 | |||
结构特点 | 电气绝缘倍压筒 | ||
空气绝缘、无泄漏之虑 | |||
操作箱特点 | 高精度0.75UDC1mA单触按钮(精度≤1.0%) 最适合氧化锌避雷器试验 | ||
过压保护采用数字拨码开关,一目了然 | |||
便携式机箱,现场更方便 | |||
注:因产品不断更新,不另行通知,以实样为准,本公司保留解释权。
1.控制箱面板示意图
图2 面板布局图
1、接地端子 | 2、五芯航插 | 3、过压整定拨码 |
4、电源插座 | 5、电源开关 | 6、电流表头 |
7、电压调节旋钮钮 | 8、高压断带灯按钮 | 9、高压通带灯按 |
10、0.75倍带灯按钮 | 11、电压表头 |
说明:
(1)控制箱接地端子:控制箱接地端子与倍压筒接地端子及试品接地端连接为一点后再与接地网相连。
(2)中频及测量电缆快速连接插座:用于机箱与倍压筒的连接。连接时只需对准将电缆插头压下顺时针方向转动到位,拆线时只需逆时针转动电缆插头。
(3)过压整定拨盘:用于设定过电压保护值。拨盘所显示单位为kV,设定值为试验电压的1.1倍。
(4)电源输入插座:将随机配备的电源线与电源输入插座相连。(交流220V±10%,插座内自带保险管。)
(5)电源开关:向前按下,电源接通,高压断红灯亮。反之为关断。
(6)数显电流表:数字显示直流高压输出电流。
(7)电压调节电位器:该电位器为多圈电位器。顺时针旋转为升压,反之为降压。此电位器具备控制电子零位保护功能,因此升压前必须先回零。
(8)红色带灯按钮:高压断红灯亮,表示电源已接通及高压断开。在高压通绿灯亮状态下按下高压断红色按钮,绿灯灭红灯亮,高压回路切断。
(9)绿色带灯按钮:高压接通按钮、高压指示灯。在高压断红灯亮的状态下,按下高压通绿色按钮后,绿灯亮红灯灭,表示高压回路接通,此时可升压。此按钮须在电压调节电位器回零状态下才有效。如按下高压通绿色按钮,绿灯亮红灯仍亮,但松开绿色按钮绿灯灭红灯亮,表示机内保护电路已工作,此时必须关机检查过压整定拨码开关设置是否小于满量的5%及有无其它故障后再开机。
(10)黄色带灯按钮:高压通绿灯亮时有效,当按下0.75UDC1mA黄色按钮后黄灯亮,输出高压降至原来的0.75倍,并在一分钟内保持此状态。此功能是专为氧化锌避雷器快速测量0.75UDC1mA用。按下高压断红色按钮,红灯亮、绿灯和黄灯灭,高压切断并退出0.75倍状态。
(11)数显电压表:数字显示直流高压输出电压。
2.倍压筒示意图
图3 倍压筒示意图
1.高压引出接线柱(可连接微安表和限流电阻)
2.均压球
3.倍压筒体
4.接地端子
5.底座
6.中频连接端子
3.试验回路连接图
图4 试验回路连接图
6.1、使用前准备
※ 如做容性负载试验时,应接入限流电阻
6.1.1 直流高压发生器在使用前应检查连接电缆不应有断路和短路现象,倍压筒不应有凝露现象,设备无破裂等损坏。
6.1.2 将控制箱与倍压筒用五芯连接电缆连接好,倍压筒和控制箱必须保持足够距离。保护接地线与工作接地线以及放电棒的接地线均应单独接到试品的地线上(即一点接地)。严禁各接地线相互串联,为此,应使用DHV专用接地线。
6.1.3 电源开关置于关断位置并将调压电位器回至零位。过电压保护整定值设定为试验电压的1.1倍。
6.2、空载升压验证过电压保护整定
6.2.1 接通电源开关,此时高压断红灯亮,表示电源接通。
6.2.2 按下高压通绿色按钮,则绿灯亮,表示高压接通。
6.2.3 顺时针方向平缓调节调压电位器,输出端即从零开始升压,升至所需电压后,按规定时间记录电流表读数,并检查控制箱及高压输出线有无异常现象及声响。必要时用外接高压分压器校准控制箱上的电压表头。
6.2.4 降压,将调压电位器回零后,随即按高压断红色按钮,切断高压并关闭电源开关。
6.3、对试品进行泄漏及直流耐压试验
6.3.1 在进行6.1-6.2检查试验确认直流高压发生器无异常情况后,即可开始进行试品的泄漏及直流耐压试验。将试品、地线等连接好,检查无误后即打开电源。
6.3.2 根据步骤6.2.1-6.2.3升压至所需电压或电流。
升压速度以每秒3~5kV试验电压为宜。对于大电容试品升压时还需监视电流表充电电流不超过额定的最大充电电流。
对小电容试品如氧化锌避雷器、磁吹避雷器等,先升至所需电压(电流)的95%左右,再缓慢升压至所需的电压(电流),从数显表上读出电压(电流)值。如需对氧化锌避雷器进行泄漏值测量时,先升压至电流为1mA时的电压值,然后按下0.75倍黄色按钮,此时电压降至原来的0.75倍,并在一分钟内保持此状态。此时可读取泄漏电流值(uA)。测量完毕后,调压电位器逆时针回到零,按下高压断红色按钮,如需再次升压时按高压通绿色按钮即可。
6.3.3 试验完毕,根据步骤6.2.4降压。
※ 必要时用外接高压分压器比对控制箱上的电压。
6.4、几种测量方法
6.4.1 一般测量时,当接好线后,先将连接试品的线悬空,升压至试验电压后,记录空载试验时的电晕和杂散电流I1,然后接上试品连接线,升压至试验电压后,读取总电流I2,得到试品的泄漏电流为Io=I2-I1。
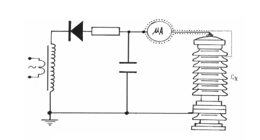
6.4.2 当需要精确测量被试品泄漏电流时,则应在高压侧串入高压微安表,如图5所示。
图5 微安表接入试品CX高压侧接线图
微安表必须有金属屏蔽,应采用屏蔽线与试品连接。高压引线的屏蔽引出应与仪表端的屏蔽紧密连接。如果试品表面污秽要排除试品表面泄漏电流的影响,可在试品高电位端用裸金属软线紧密绕几圈后与高压引线的屏蔽层相连接,如图6所示。
![]()
![]()
6.4.3对氧化锌、磁吹避雷器等试品接地端可拆开的情况下,也可采用在试品的底部(地电位侧)串入电流表进行测量的方式,如图7所示。当要排除试品表面泄漏电流的影响,可用软的裸铜线在试品地电位端绕上几圈并与屏蔽线的屏蔽层相连接,如图8所示。
6.4.4 对于氧化锌避雷器等小电容试品,试验完后一般通过机内测压电阻放电,时间很快。而对电缆等大电容试品,试验完后一般要待试品电压自放电至试验电压的20%以下,再通过配套的放电棒进行放电,待试品充分放电后挂好接地线,才允许进行高压引线的拆除和更换接线的工作。
6.5、保护动作后的操作
在使用过程中发现高压通绿灯灭,高压断红灯亮,电压下降的现象,即为保护动作。此时应关闭电源开关,面板指示灯均不亮,将调压电位器退回零位,一分钟后待机内低压电容器充分放电,查明情况后,才允许再次打开电源开关,重新进行试验。
1、本高压微安表用于直流电压试验,在高压侧测量高压电气设备内绝缘泄漏电流值。
2、本高压微安表是根据法拉第笼等电位屏蔽法来测量,所有测量元器件均处于金属屏蔽球体的内部。
3、直流高压发生器高压输出端经限流电阻接到该高压微安表,再经高压微安表的专用插头,屏蔽导线接到被试品。
4、为减少被试品高压线头裸露时的电晕离子电流对内绝缘泄漏电流的附加误差影响,建议用良好的绝缘套将被试品高压接线处包起来。
5、本高压微安表内部采用9V干电池供电。当高压屏蔽微安表上显示"LOW BAT"时,请更换9V电池,以避免测量误差。高压引线插头插入后,内部电源接通,拔出时内部断电,为延长电池使用寿命,建议在停止测量后尽可能拔出高压引线插头,以此断开内部电源。
6、试品进行直流高压试验完毕后,应用配套直流高压试验专用放电棒对高压微安表外壳处放电。
在交流或直流高压试验回路中一般均应接入限流电阻R,如图9所示,其目的是当被试品C x在回路中放电或被击穿时起限制电流作用,不至于高压短路导致试验设备的损坏。但在某些高压试验中可不用接入限流电阻,为此对限流电阻的使用提出以下建议:
1、对氧化锌避雷器、普通阀式避雷器高压开关和电力变压器等电力设备进行直流高压试验时,可以不用接入限流电阻。
2、电力电缆试验时应在高压回路中串接限流电阻(只需将配套的限流电阻拧至倍压筒顶部高压输出螺栓上即可)。
图9 限流电阻使用示意图
1、试验完后一般要待试品电压自放电至试验电压的20%以下,再通过配套的专用放电棒进行放电。放电时放电棒应与高压输出端保持一段距离,待放电棒尖端先产生电晕放电,再将放电棒顶端接触微安表外壳进行放电,最后再将放电棒接地端地线直接接触被试品进行放电。
2、特别注意:不能将地线直接接在高压微安表外壳上直接放电,以免强大的冲击放电电流引起高压微安表损坏。
序号 | 现象 | 原因 | 处理 |
1 | 电源开关接通后高压断红灯不亮且风扇不转。 | 电源线开路或者电源保险丝熔断。 | 更换电源线。 更换保险丝。 |
2 | 按高压通绿色按钮绿灯不亮。 | 调压电位器未回零。 | 电位器回零。 |
3 | 按高压通绿色按钮绿灯亮,当升压高压通绿灯灭,高压断红灯亮。 | 高压输出端接地,试品短路。 | 检查输出电缆。 检查被试品。 |
4 | 升压过程中高压通绿灯灭,高压断红灯亮。 | 试品放电或击穿,过压或过流保护动作。 | 检查被试品。 重新设置整定值。 |
序号 | 名称 | 数量 | 单位 |
1 | 主机 | 1 | 台 |
2 | 高压倍压筒 | 1 | 个 |
3 | 微安表 | 1 | 个 |
4 | 放电棒 | 1 | 根 |
5 | 限流电阻(1MΩ) | 1 | 个 |
6 | 高压线 | 1 | 根 |
7 | 电源线 | 1 | 根 |
8 | 连接线 | 1 | 根 |
9 | 接地线 | 1 | 根 |
10 | 保险管 | 5 | 个 |
11 | 1 | 个 | |
12 | 检验报告 | 1 | 份 |
13 | 合格证 | 1 | 份 |
14 | 说明书 | 1 | 份 |